Доставка - уточняйте у менеджера
— Привод - асинхронный
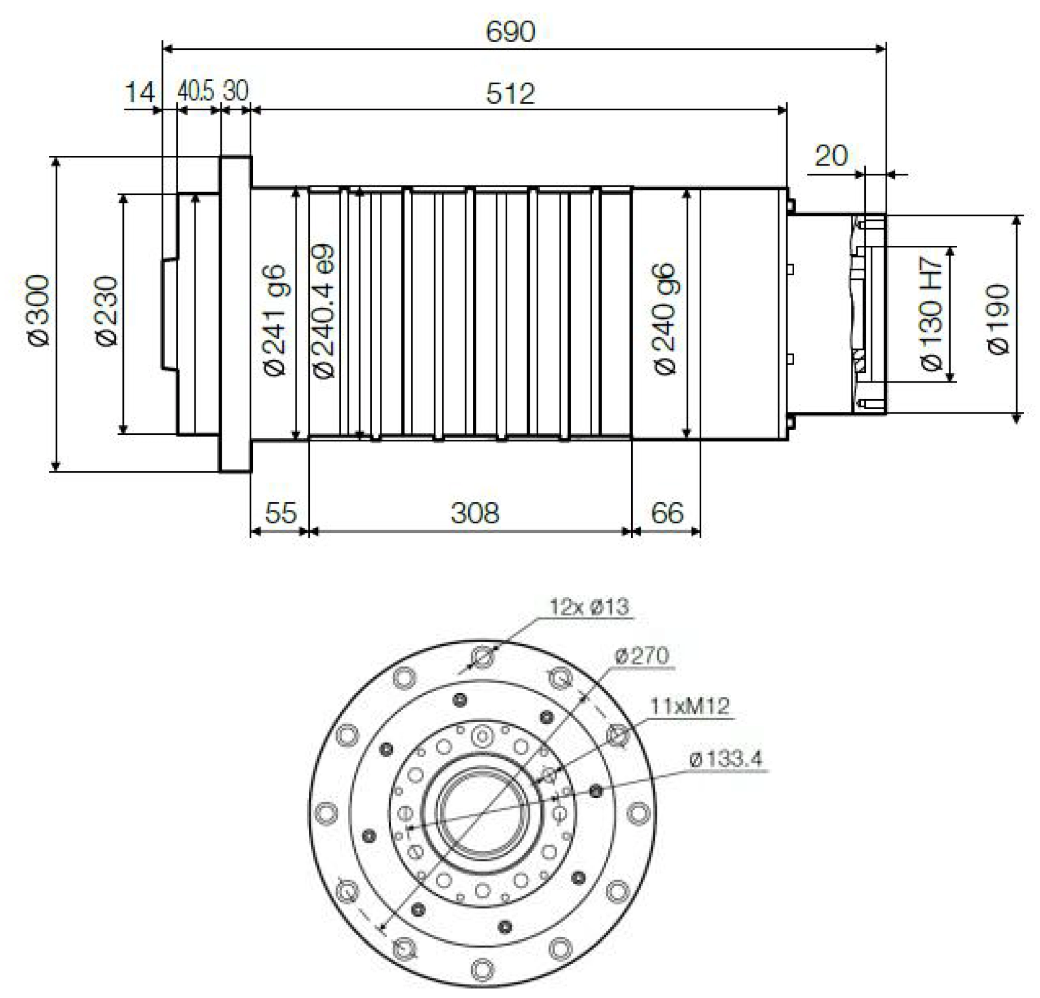
— Присоединительный размер ISO A2-6
— Конус - 1:20
— Диаметр проходного отверстия - 67 мм
— Точность регулирования скорости - +/-0.2 об/мин
— Точность позиционирования - +/-10″
— Вес - 175 кг
Динамические характеристики шпинделя

Электрические параметры шпинделя
| Мощность | Крутящий момент | Рабочее напряжение | Рабочий ток | Номинальная скорость | Max.скорость | Полюса |
| 22 кВт | 105 Н*м | 380 В | 48 A | 2000 об/мин | 4000 об/мин | 8 P |
| Подключение | Постоянный момент | Постоянное напряжение | Момент инерции | Сопротивление фазы | Индуктивность d-оси |
Индуктивность q-оси |
| Y | 2N.m/A | 119V/Krpm | 0.245 | 0.0788 Ω | 1.139 mH | 3.218 kgm2 |
Присоединительные размеры шпинделя

| Присоединительный размер | A | B | C | D | E1 | F1 |
| A2-3 | 92.1 | 53.985 | 11.1 | 15.9 | 3x7/16-14 UNC | 70.66 |
| A2-4 | 108 | 63.525 | 11.1 | 19 | 11x7/16-14 UNC | 82.55 |
| A2-5 | 133.4 | 82.575 | 12.7 | 22.2 | 11x7/16-14 UNC | 104.8 |
| A2-6 | 165.1 | 106.390 | 14.3 | 25.4 | 11x1/2-13 UNC | 133.4 |
| A2-8 | 209.5 | 139.735 | 15.9 | 28.6 | 11x5/8-11 UNC | 171.4 |
| A2-11 | 279.4 | 196.885 | 17.5 | 34.9 | 11x3/4-10 UNC | 235 |
| A2-15 | 381 | 285.8 | 19 | 41.3 | 12x7/8-9 UNC | 330.2 |
| A2-20 | 520 | 412.8 | 20.6 | 47.6 | 12x1-8 UNC | 463.6 |
|
Мощность S1/S6, кВт
|
22/30 |
|
Момент S1/S6, Н/м
|
105/143 |
|
Номинальная частота вращения, об/мин
|
2000 |
|
Максимальная частота вращения, об/мин
|
4000 |
|
Тип конуса
|
A2-6 |
|
Тип подключения
|
Y |
|
Рекомендуемая мощность охладителя, кВт
|
2.5 |
|
Тип привода шпинделя
|
Асинхронный |
Для покупки товара в нашем интернет-магазине выберите понравившийся товар и добавьте его в корзину. Далее перейдите в Корзину и нажмите на «Оформить заказ» или «Купить в 1 клик».
Когда оформляете покупку в 1 клик, напишите ФИО, телефон и e-mail. Вам перезвонит менеджер и уточнит все условия. По результатам разговора вам придет подтверждение оформления товара на почту или через СМС. Теперь останется только ждать курьера и радоваться новой покупке.
Оформление заказа в стандартном режиме выглядит следующим образом. Заполняете полностью форму по последовательным этапам: адрес, способ доставки, оплаты, данные о себе. Советуем в комментарии написать информацию, которая поможет курьеру вас найти. Нажмите кнопку «Оформить заказ».
Внимание! Для каждого отдельного заказа возможен только один способ оплаты на ваш выбор. Оплата по частям различными способами невозможна.
Возможные способы оплаты:
- Наличный расчет:
Оплата производится наличными в магазине при самовывозе. Вместе с заказом передается товарный и кассовый чеки, а также гарантийный талон.
Всем клиентам доступна оплата онлайн с последующим получением электронного кассового чека и отправкой транспортной компанией по согласованию с нашим менеджером.
- Оплата по счету:
Для юридических лиц предоставляется оплата по счету с последующим предоставлением всех закрывающих документов. Для выставления счета свяжитесь с нами.
Отправка может быть осуществлена любой ТК по Вашему выбору (Почта России, ПЭК, СДЭК, КИТ и т д.) Наша компания сотрудничает с ТК СДЭК и гарантирует плановые отправки приобретенных комплектующих при использовании данной ТК.
В случае выбора другой ТК отправка может быть незначительно задержана.
Все вопросы по доставке и её качеству следует адресовать выбранной ТК.
В свою очередь, Predictor LLC гарантирует качественную подготовку к транспортировке и принимает претензии по упаковке.
Отправка осуществляется по адресу, указанному при оформлении. Если необходимо доставить заказ по иному адресу, необходимо сообщить адрес менеджеру, который свяжется с вами непосредственно после оформления.
Информация для отправки
Время доставки согласовывается с менеджером курьерской службы, который обязательно свяжется с Вами сразу после того, как вы разместите свой заказ.
Внимание! Неправильно указанный номер телефона, неточный или неполный адрес могут привести к дополнительной задержке! Пожалуйста, внимательно проверяйте ваши персональные данные при регистрации и оформлении. Конфиденциальность ваших регистрационных данных гарантируется.
Отправка осуществляется с 10:00 до 20:00 часов каждый вторник и четверг. Время осуществления доставки зависит от времени размещения заказа и наличия товара на складе.
При доставке вам будут переданы все необходимые документы на покупку: товарный, кассовый чеки, а также гарантийный талон. При оформлении покупки на организацию, вам будут переданы счет-фактура, а также накладная, в которой необходимо поставить печать вашей организации.
Внимание! Просим вас помнить, что все технические параметры и потребительские свойства приобретаемого продукта вам следует уточнять у нашего менеджера до момента покупки. В обязанности работников Службы доставки не входит осуществление консультаций и комментариев относительно свойств продукта. При необходимости инсталляции приобретаемого в нашем магазине оборудования Вам необходимо сообщить об этом нашему менеджеру. При передаче Вам заказа проверяйте комплектность, работоспособность, соответствие доставленного товара описанию на нашем сайте, также проверьте товар на наличие механических повреждений.













