- оси ЧПУ станковСерводрайвер DLS200-F1-0R6 имеет коммуникационный модуль MODBUS RTU для решения следующих задач:
- исполнительные механизмы станков с применением ПЛК
- индексаторы
- линии фасовки/сортировки
- смена параметров сервопривода на летуДоступно чтение и запись практически всех регистров драйвера по протоколу MODBUS RTU для работы со SCADA системами.
- управление работой сервопривода в режиме SPEED
- управление работой серводвигателя в режиме TORQUE
- получение данных от энкодера по RS485
- определение пройденного пути по RS485
- определение Z метки энкодера
- получение кода ошибки
- сброс ошибок
- задание скорости
- задание момента
- чтение электрических параметров работы серводвигателя
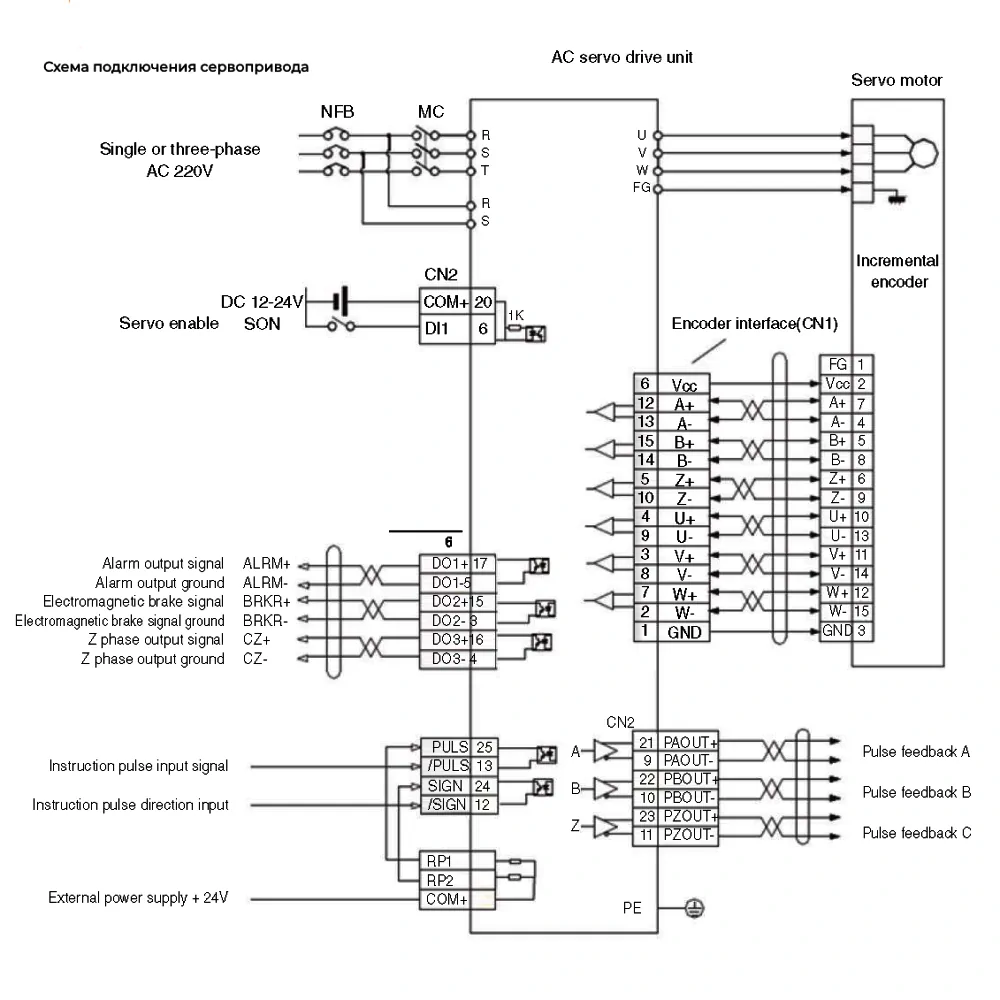
Сервоусилитель DLS200-F1-0R6 оснащен 4-мя оптоизолированными цифровыми выходами (аноды: 15, 16, 17, 18, катоды: 3, 4, 5, 19) и 1 входом (анод: 20, катод: 6). Для каждого выхода установлены значения по умолчанию (см. инструкцию), вход сконфигурирован как сигнал SON (Servo Enable). Логика всех выходов может быть инвертирована. При использовании режима автовозбуждения (SON on (P1. 04 = 1) для цифрового входа возможны следующие варианты использования: ALRS(сброс ошибок), SPDINV(реверс в режиме SPEED), SON.
Доступны следующие варианты задания вращения (P1. 02):
- STEP/DIR (синонимы STEP/SIGN, PULSE/DIR, PULSE/SIGN) - управление по 2 сигналам, логический 0/1 направление и меандр тактирования. Два оптоизолированных входа с сопротивлением 270 Ом для использования 5 В логики, при использовании напряжения выше 5В(12/24) в комплекте поставляется резистор на 2 кОм.Комплект поставляется с приводом 60ST-M01930 в базовом оснащении с инкрементным энкодером TAMAGAWA на 2500 строк, все характеристики сервопривода приведены в таблице ниже.
- CW/CCW - управление по 2 шим меандрам тактирования (по часовой, против часовой), логика 5 В (270 Ом), для работы с более высокими логическими напряжениями используйте резистор 2 кОм (в комплекте)
- T-REF - 0-10 В аналоговое управление по моменту
- V-REF - 0-10 В аналоговое управление по скорости
- RS485 - управление по протоколу MODBUS RTU по моменту и по скорости (путем записи задания в регистр памяти)
Комплектация:
Сервоусилитель DLS200-F1-0R6 с поддержкой инкрементных энкодеров
Сервопривод 60ST-M01930
Кабель энкодера 3 м
Силовой кабель 3 м
|
Тормоз
|
нет |
|
Количество фаз
? число фаз питания шагового двигателя/драйвера серводвигателя |
1 |
|
Крутящий момент серводвигателя, н/м
|
1.9 |
|
Мощность, кВт
|
0.6 |
|
Обороты, об/мин
|
3000 |
|
Фланец, мм
|
60 |
|
Тип энкодера
|
ИНК |
|
Рабочее напряжение, В
|
220 |
|
Подходящий редуктор
|
PLE 60/80/90, PLF 60/80/90, ZPLE 60/80/90, ZPLF 60/80/90, AF 60, AL 70, AF/AL 90, ZAF 60, ZAL 70, AH 64, AH 90 |
Для покупки товара в нашем интернет-магазине выберите понравившийся товар и добавьте его в корзину. Далее перейдите в Корзину и нажмите на «Оформить заказ» или «Купить в 1 клик».
Когда оформляете покупку в 1 клик, напишите ФИО, телефон и e-mail. Вам перезвонит менеджер и уточнит все условия. По результатам разговора вам придет подтверждение оформления товара на почту или через СМС. Теперь останется только ждать курьера и радоваться новой покупке.
Оформление заказа в стандартном режиме выглядит следующим образом. Заполняете полностью форму по последовательным этапам: адрес, способ доставки, оплаты, данные о себе. Советуем в комментарии написать информацию, которая поможет курьеру вас найти. Нажмите кнопку «Оформить заказ».
Внимание! Для каждого отдельного заказа возможен только один способ оплаты на ваш выбор. Оплата по частям различными способами невозможна.
Возможные способы оплаты:
- Наличный расчет:
Оплата производится наличными в магазине при самовывозе. Вместе с заказом передается товарный и кассовый чеки, а также гарантийный талон.
Всем клиентам доступна оплата онлайн с последующим получением электронного кассового чека и отправкой транспортной компанией по согласованию с нашим менеджером.
- Оплата по счету:
Для юридических лиц предоставляется оплата по счету с последующим предоставлением всех закрывающих документов. Для выставления счета свяжитесь с нами.
Отправка может быть осуществлена любой ТК по Вашему выбору (Почта России, ПЭК, СДЭК, КИТ и т д.) Наша компания сотрудничает с ТК СДЭК и гарантирует плановые отправки приобретенных комплектующих при использовании данной ТК.
В случае выбора другой ТК отправка может быть незначительно задержана.
Все вопросы по доставке и её качеству следует адресовать выбранной ТК.
В свою очередь, Predictor LLC гарантирует качественную подготовку к транспортировке и принимает претензии по упаковке.
Отправка осуществляется по адресу, указанному при оформлении. Если необходимо доставить заказ по иному адресу, необходимо сообщить адрес менеджеру, который свяжется с вами непосредственно после оформления.
Информация для отправки
Время доставки согласовывается с менеджером курьерской службы, который обязательно свяжется с Вами сразу после того, как вы разместите свой заказ.
Внимание! Неправильно указанный номер телефона, неточный или неполный адрес могут привести к дополнительной задержке! Пожалуйста, внимательно проверяйте ваши персональные данные при регистрации и оформлении. Конфиденциальность ваших регистрационных данных гарантируется.
Отправка осуществляется с 10:00 до 20:00 часов каждый вторник и четверг. Время осуществления доставки зависит от времени размещения заказа и наличия товара на складе.
При доставке вам будут переданы все необходимые документы на покупку: товарный, кассовый чеки, а также гарантийный талон. При оформлении покупки на организацию, вам будут переданы счет-фактура, а также накладная, в которой необходимо поставить печать вашей организации.
Внимание! Просим вас помнить, что все технические параметры и потребительские свойства приобретаемого продукта вам следует уточнять у нашего менеджера до момента покупки. В обязанности работников Службы доставки не входит осуществление консультаций и комментариев относительно свойств продукта. При необходимости инсталляции приобретаемого в нашем магазине оборудования Вам необходимо сообщить об этом нашему менеджеру. При передаче Вам заказа проверяйте комплектность, работоспособность, соответствие доставленного товара описанию на нашем сайте, также проверьте товар на наличие механических повреждений.













