Доставка - уточняйте у менеджера
3D-модель робота-манипулятора NEW-62020
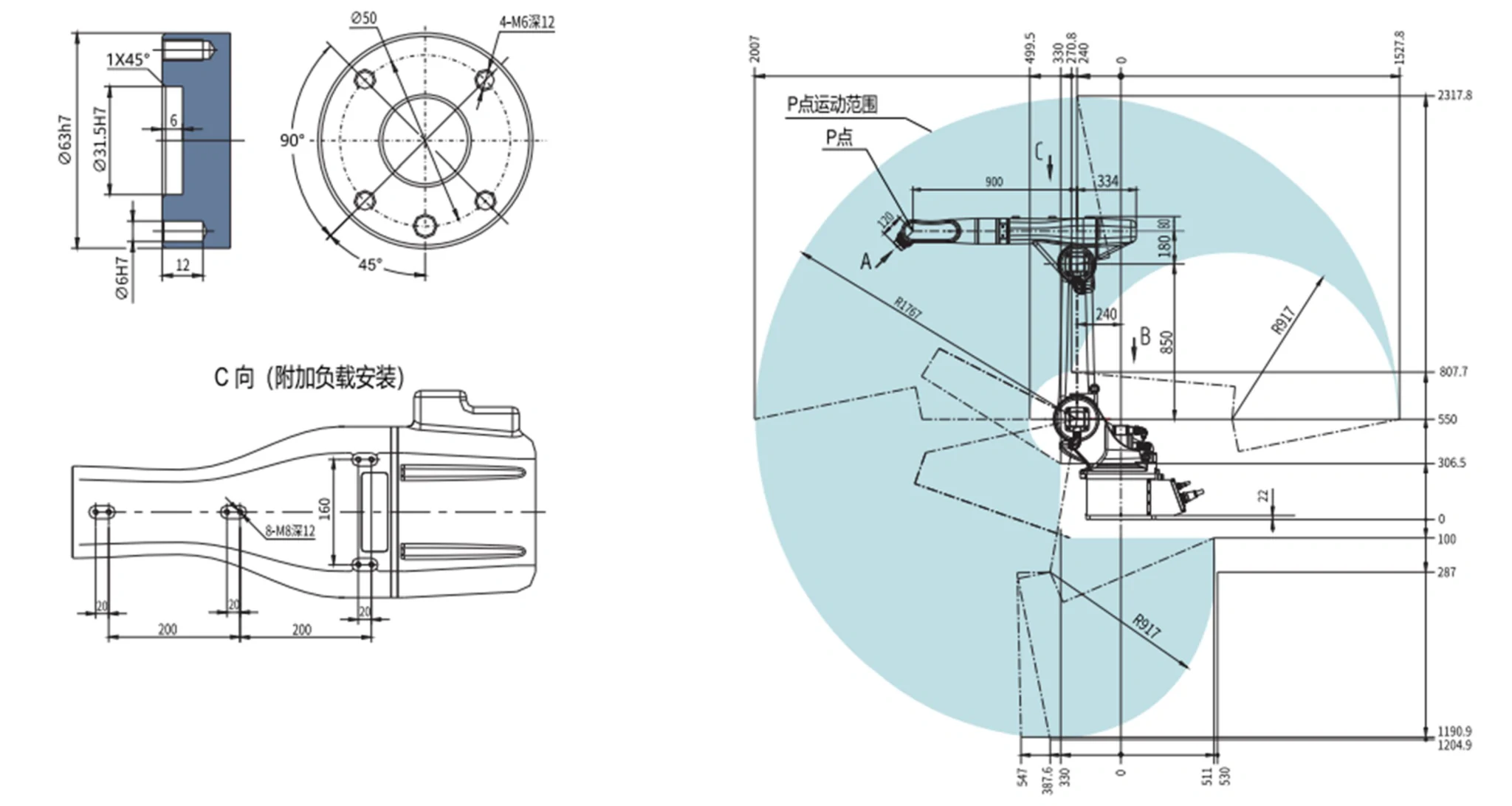
- Рабочая нагрузка, кг - 20
- Радиус рабочей зоны, мм - 2007
- Кол-во осей - 6
- Вес робота, без учета блока управления, кг - 260
- Потребляемая мощность, Вт - 4500
- Максимальная скорость по оси J1, град/сек - 70
- Максимальная скорость по оси J2, град/сек - 70
- Максимальная скорость по оси J3, град/сек - 138
- Максимальная скорость по оси J4, град/сек - 168
- Максимальная скорость по оси J5, град/сек - 270
- Максимальная скорость по оси J6, град/сек - 337
- Рабочая зона по оси J1, град - ±170
- Рабочая зона по оси J2, град - - 80 ~ +180
- Рабочая зона по оси J3, град - - 85 ~ +95
- Рабочая зона по оси J4, град - ±360
- Рабочая зона по оси J5, град - ±135
- Рабочая зона по оси J6, град - ±360
- Степень защиты - IP43
- Точность позиционирования конечного звена, мм - ±0.08
- Диапазон рабочих температур, град - 0-45;
- Материал корпуса - чугун
- Тормозные механизмы - все оси
Контроллер робота - NEWKer I6
Данный контроллер может использоваться для управления роботом любого типа с количеством осей от 4 до 6, также контроллер поддерживает работу с двумя дополнительными осями.
Роботы под управлением контроллера NEWker – i6 могут выполнять следующие функции: сварка, сборка, покраска, палетирование, полировка, резка и отбор образцов по признакам - при добавлении систем машинного зрения.
Контроллер NEWker – i6 поддерживает работу с серво системами, использующими моторы с абсолютными энкодерами. Для подключения серво систем к контроллеру используется сеть Ethernet, что значительно упрощает монтаж оборудования. Контроллер оснащен 48 входами и 32 выходами, а также входами и выходами со специальными функциями.
В контроллере предусмотрены специальные команды для управления сварочными роботами. Для упрощения загрузки программ в контроллер, настроена передача данных по WiFi.


|
Рабочий радиус, мм
|
2007 |
|
Потребляемая мощность, кВт
|
4,5 |
|
Максимальная нагрузка робота, кг
|
20 |
|
Вес манипулятора, кг
|
260 |
|
Варианты установки
|
Array |
|
Степеней свободы
|
6 |
|
Назначение
|
Array |
|
Повторяемость
|
0,08 мм |
Для покупки товара в нашем интернет-магазине выберите понравившийся товар и добавьте его в корзину. Далее перейдите в Корзину и нажмите на «Оформить заказ» или «Купить в 1 клик».
Когда оформляете покупку в 1 клик, напишите ФИО, телефон и e-mail. Вам перезвонит менеджер и уточнит все условия. По результатам разговора вам придет подтверждение оформления товара на почту или через СМС. Теперь останется только ждать курьера и радоваться новой покупке.
Оформление заказа в стандартном режиме выглядит следующим образом. Заполняете полностью форму по последовательным этапам: адрес, способ доставки, оплаты, данные о себе. Советуем в комментарии написать информацию, которая поможет курьеру вас найти. Нажмите кнопку «Оформить заказ».
Внимание! Для каждого отдельного заказа возможен только один способ оплаты на ваш выбор. Оплата по частям различными способами невозможна.
Возможные способы оплаты:
- Наличный расчет:
Оплата производится наличными в магазине при самовывозе. Вместе с заказом передается товарный и кассовый чеки, а также гарантийный талон.
Всем клиентам доступна оплата онлайн с последующим получением электронного кассового чека и отправкой транспортной компанией по согласованию с нашим менеджером.
- Оплата по счету:
Для юридических лиц предоставляется оплата по счету с последующим предоставлением всех закрывающих документов. Для выставления счета свяжитесь с нами.
Отправка может быть осуществлена любой ТК по Вашему выбору (Почта России, ПЭК, СДЭК, КИТ и т д.) Наша компания сотрудничает с ТК СДЭК и гарантирует плановые отправки приобретенных комплектующих при использовании данной ТК.
В случае выбора другой ТК отправка может быть незначительно задержана.
Все вопросы по доставке и её качеству следует адресовать выбранной ТК.
В свою очередь, Predictor LLC гарантирует качественную подготовку к транспортировке и принимает претензии по упаковке.
Отправка осуществляется по адресу, указанному при оформлении. Если необходимо доставить заказ по иному адресу, необходимо сообщить адрес менеджеру, который свяжется с вами непосредственно после оформления.
Информация для отправки
Время доставки согласовывается с менеджером курьерской службы, который обязательно свяжется с Вами сразу после того, как вы разместите свой заказ.
Внимание! Неправильно указанный номер телефона, неточный или неполный адрес могут привести к дополнительной задержке! Пожалуйста, внимательно проверяйте ваши персональные данные при регистрации и оформлении. Конфиденциальность ваших регистрационных данных гарантируется.
Отправка осуществляется с 10:00 до 20:00 часов каждый вторник и четверг. Время осуществления доставки зависит от времени размещения заказа и наличия товара на складе.
При доставке вам будут переданы все необходимые документы на покупку: товарный, кассовый чеки, а также гарантийный талон. При оформлении покупки на организацию, вам будут переданы счет-фактура, а также накладная, в которой необходимо поставить печать вашей организации.
Внимание! Просим вас помнить, что все технические параметры и потребительские свойства приобретаемого продукта вам следует уточнять у нашего менеджера до момента покупки. В обязанности работников Службы доставки не входит осуществление консультаций и комментариев относительно свойств продукта. При необходимости инсталляции приобретаемого в нашем магазине оборудования Вам необходимо сообщить об этом нашему менеджеру. При передаче Вам заказа проверяйте комплектность, работоспособность, соответствие доставленного товара описанию на нашем сайте, также проверьте товар на наличие механических повреждений.













