Планетарный редуктор SHENLI PLS60 L3 разработан для работы в паре с PMSM сервомоторами переменного/постоянного тока, соответствуя всем предъявляемым требованиям к скорости вращения и точности позиционирования. Использование прямозубых шестерен с низкими допусками гарантирует низкий люфт в пределах 12-18 угловых минут.
Область применения - ответственные узлы с высокими требованиями к точности.В стандартном исполнении имеет зажимную муфту со стороны привода, обеспечивающую надежную передачу момента на рабочий вал. Корпус - алюминий, эпицикл, сателлиты, солнечная шестерня - твердосплавная сталь. Редуктор является понижающим, таким образом, редукция увеличивает крутящий момент на значение коэффициента и уменьшает скорость на то же значение. Класс пылевлагозащиты IP65.
Все редукторы SHENLI сделаны из комплектующих произведенных на оборудовании Nachi Fujikoshi из высокопрочных марок сталей и проходят контроль качества. Predictor LLC осуществляет гарантийную поддержку и сопровождение всех товаров SHENLI WITT MOTOR COMPANY на территории России.При подборе для специального применения важно учитывать следующее:
- необходимое количество оборотов в минуту на выходеВ большинстве случаев редукторы имеют модульный дизайн, основанный на поэтапном увеличении передаточного коэффициента i путем добавления количества этапов передачи. От количества таких этапов зависит результирующая длина и цена. Чертеж и модель Вы можете скачать по ссылкам ниже или перейдя в соответствующий раздел в шапке сайта.
- передаточный коэффициент i принимая во внимание предыдущий пункт
- требуемый крутящий момент на выходе редуктора, чем выше редукция, тем меньший момент может выдержать солнечная шестерня редуктора (в пределах одинакового корпуса)
- значение люфта
- фланец электромотора, с которым будет работать данный редуктор
- диаметр вала привода и диаметр ответной части планетарного редуктора;
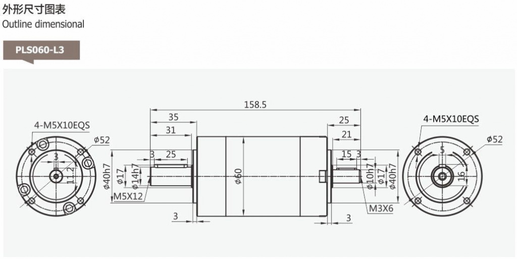
- габариты редуктора.
Для подбора подходящего привода можно воспользоваться информацией, приведенной в характеристиках на детальной странице (карточке товара) комплектных сервоприводов и шаговых двигателей.
Для каких еще целей можно купить планетарный редуктор, помимо увеличения крутящего момента?
- серводвигатели переменного и постоянного тока (именно PMSM двигатели) имеют условно низкий крутящий момент, но равномерный и в большом диапазоне оборотов, поэтому применение планетарных передач единственный способ повысить момент данных приводов за счет скорости, которая, обычно, избыточна
- одним из способов избежать резонанса в шаговых двигателях является демпфирование вала, планетарный редуктор прекрасно справляются с этой задачей
- увеличение точности перемещений
- повышение плавности перемещений
|
Фланец, мм
|
60 |
|
Номинальная скорость, об/мин
|
3000 |
|
Люфт, угл. минут
|
12-18 |
|
Серия
|
PLS |
|
Длина
|
L3 |
|
Тип шестерен
|
прямозубые |
|
Выходной вал, мм
|
14 |
Для покупки товара в нашем интернет-магазине выберите понравившийся товар и добавьте его в корзину. Далее перейдите в Корзину и нажмите на «Оформить заказ» или «Купить в 1 клик».
Когда оформляете покупку в 1 клик, напишите ФИО, телефон и e-mail. Вам перезвонит менеджер и уточнит все условия. По результатам разговора вам придет подтверждение оформления товара на почту или через СМС. Теперь останется только ждать курьера и радоваться новой покупке.
Оформление заказа в стандартном режиме выглядит следующим образом. Заполняете полностью форму по последовательным этапам: адрес, способ доставки, оплаты, данные о себе. Советуем в комментарии написать информацию, которая поможет курьеру вас найти. Нажмите кнопку «Оформить заказ».
Внимание! Для каждого отдельного заказа возможен только один способ оплаты на ваш выбор. Оплата по частям различными способами невозможна.
Возможные способы оплаты:
- Наличный расчет:
Оплата производится наличными в магазине при самовывозе. Вместе с заказом передается товарный и кассовый чеки, а также гарантийный талон.
Всем клиентам доступна оплата онлайн с последующим получением электронного кассового чека и отправкой транспортной компанией по согласованию с нашим менеджером.
- Оплата по счету:
Для юридических лиц предоставляется оплата по счету с последующим предоставлением всех закрывающих документов. Для выставления счета свяжитесь с нами.
Отправка может быть осуществлена любой ТК по Вашему выбору (Почта России, ПЭК, СДЭК, КИТ и т д.) Наша компания сотрудничает с ТК СДЭК и гарантирует плановые отправки приобретенных комплектующих при использовании данной ТК.
В случае выбора другой ТК отправка может быть незначительно задержана.
Все вопросы по доставке и её качеству следует адресовать выбранной ТК.
В свою очередь, Predictor LLC гарантирует качественную подготовку к транспортировке и принимает претензии по упаковке.
Отправка осуществляется по адресу, указанному при оформлении. Если необходимо доставить заказ по иному адресу, необходимо сообщить адрес менеджеру, который свяжется с вами непосредственно после оформления.
Информация для отправки
Время доставки согласовывается с менеджером курьерской службы, который обязательно свяжется с Вами сразу после того, как вы разместите свой заказ.
Внимание! Неправильно указанный номер телефона, неточный или неполный адрес могут привести к дополнительной задержке! Пожалуйста, внимательно проверяйте ваши персональные данные при регистрации и оформлении. Конфиденциальность ваших регистрационных данных гарантируется.
Отправка осуществляется с 10:00 до 20:00 часов каждый вторник и четверг. Время осуществления доставки зависит от времени размещения заказа и наличия товара на складе.
При доставке вам будут переданы все необходимые документы на покупку: товарный, кассовый чеки, а также гарантийный талон. При оформлении покупки на организацию, вам будут переданы счет-фактура, а также накладная, в которой необходимо поставить печать вашей организации.
Внимание! Просим вас помнить, что все технические параметры и потребительские свойства приобретаемого продукта вам следует уточнять у нашего менеджера до момента покупки. В обязанности работников Службы доставки не входит осуществление консультаций и комментариев относительно свойств продукта. При необходимости инсталляции приобретаемого в нашем магазине оборудования Вам необходимо сообщить об этом нашему менеджеру. При передаче Вам заказа проверяйте комплектность, работоспособность, соответствие доставленного товара описанию на нашем сайте, также проверьте товар на наличие механических повреждений.













