Планетарный редуктор SHENLI PLS160 L3 для работы в паре с высокоскоростными сервомоторами переменного/постоянного тока, соответствуя всем предъявляемым требованиям к скорости вращения и точности позиционирования. Использование прямозубых шестерен с низкими допусками обеспечивает невысокий люфт в пределах 12-18 угловых минут.
Область применения - ответственные узлы с высокими требованиями к точности.В обычном исполнении имеет зажимную муфту со стороны привода, обеспечивающую надежную передачу момента на исполнительный вал. Корпус - алюминий, эпицикл, сателлиты, солнечная шестерня - твердосплавная сталь. Редуктор является понижающим, таким образом, редукция увеличивает крутящий момент на значение коэффициента и уменьшает скорость на то же значение. Класс пылевлагозащиты IP65.
Все планетарные редукторы SHENLI собраны из комплектующих произведенных на оборудовании Nachi Fujikoshi из высоколегированных марок сталей и проходят проверку качества. Predictor LLC осуществляет гарантийную поддержку и сопровождение всей продукции SHENLI WITT MOTOR COMPANY на территории России.При подборе для специального применения важно учитывать следующее:
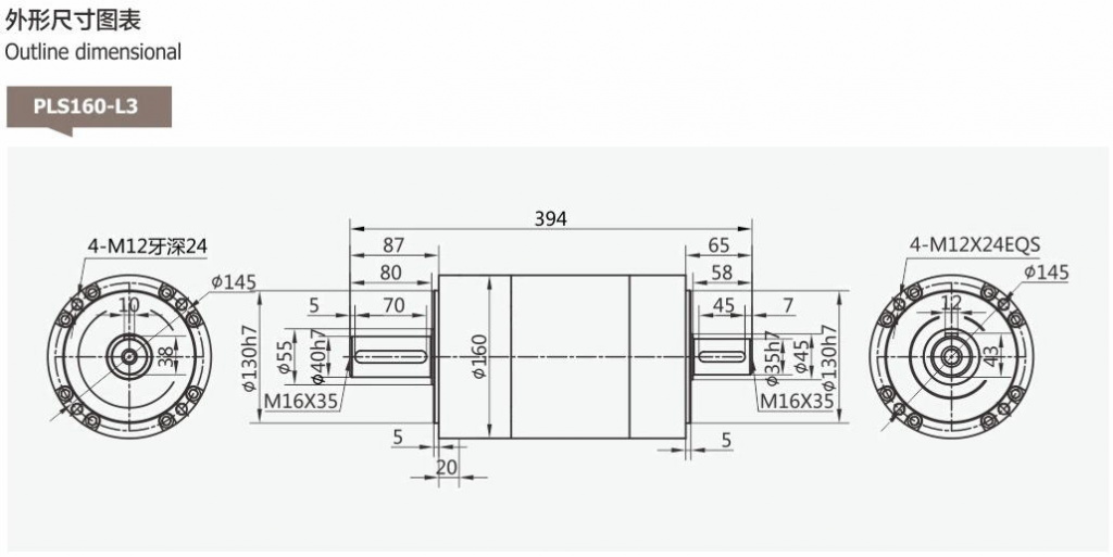
- необходимое количество оборотов в единицу времени на выходеВ подавляющем числе случаев редукторы имеют модульный дизайн, основанный на поэтапном увеличении коэффициента редукции i путем добавления числа этапов передачи. От количества таких стадий зависит результирующая длина и стоимость. Чертеж и модель Вы можете скачать по ссылкам ниже или перейдя в соответствующий раздел в шапке сайта.
- передаточный коэффициент i с учетом предыдущего пункта
- требуемый крутящий момент на выходе редуктора, чем выше редукция, тем меньший момент может выдержать солнечная шестерня редуктора (в пределах одинакового корпуса)
- значение люфта
- присоединительный размер электромотора, с которым будет работать выбранный редуктор
- диаметр вала электромотора и диаметр ответной части планетарного редуктора;
- габариты редуктора.
Для подбора соотвестствующего привода можно воспользоваться информацией, приведенной в характеристиках на детальной странице (карточке товара) комплектных сервоприводов и шаговых двигателей.
Для каких еще целей можно купить планетарный редуктор, помимо увеличения крутящего момента?
- сервоприводы переменного и постоянного тока (именно PMSM двигатели) имеют сравнительно низкий крутящий момент, но равномерный и в большом диапазоне оборотов, в этой связи применение планетарных передач единственный способ повысить момент данных приводов за счет скорости, которая, обычно, избыточна
- одним из способов избежать резонанса в шаговых приводах является демпфирование вала, планетарный редуктор прекрасно справляются с этой задачей
- повышение точности перемещений
- увеличение плавности перемещений
|
Фланец, мм
|
160 |
|
Номинальная скорость, об/мин
|
3000 |
|
Люфт, угл. минут
|
12-18 |
|
Серия
|
PLS |
|
Длина
|
L3 |
|
Тип шестерен
|
прямозубые |
|
Выходной вал, мм
|
40 |
Для покупки товара в нашем интернет-магазине выберите понравившийся товар и добавьте его в корзину. Далее перейдите в Корзину и нажмите на «Оформить заказ» или «Купить в 1 клик».
Когда оформляете покупку в 1 клик, напишите ФИО, телефон и e-mail. Вам перезвонит менеджер и уточнит все условия. По результатам разговора вам придет подтверждение оформления товара на почту или через СМС. Теперь останется только ждать курьера и радоваться новой покупке.
Оформление заказа в стандартном режиме выглядит следующим образом. Заполняете полностью форму по последовательным этапам: адрес, способ доставки, оплаты, данные о себе. Советуем в комментарии написать информацию, которая поможет курьеру вас найти. Нажмите кнопку «Оформить заказ».
Внимание! Для каждого отдельного заказа возможен только один способ оплаты на ваш выбор. Оплата по частям различными способами невозможна.
Возможные способы оплаты:
- Наличный расчет:
Оплата производится наличными в магазине при самовывозе. Вместе с заказом передается товарный и кассовый чеки, а также гарантийный талон.
Всем клиентам доступна оплата онлайн с последующим получением электронного кассового чека и отправкой транспортной компанией по согласованию с нашим менеджером.
- Оплата по счету:
Для юридических лиц предоставляется оплата по счету с последующим предоставлением всех закрывающих документов. Для выставления счета свяжитесь с нами.
Отправка может быть осуществлена любой ТК по Вашему выбору (Почта России, ПЭК, СДЭК, КИТ и т д.) Наша компания сотрудничает с ТК СДЭК и гарантирует плановые отправки приобретенных комплектующих при использовании данной ТК.
В случае выбора другой ТК отправка может быть незначительно задержана.
Все вопросы по доставке и её качеству следует адресовать выбранной ТК.
В свою очередь, Predictor LLC гарантирует качественную подготовку к транспортировке и принимает претензии по упаковке.
Отправка осуществляется по адресу, указанному при оформлении. Если необходимо доставить заказ по иному адресу, необходимо сообщить адрес менеджеру, который свяжется с вами непосредственно после оформления.
Информация для отправки
Время доставки согласовывается с менеджером курьерской службы, который обязательно свяжется с Вами сразу после того, как вы разместите свой заказ.
Внимание! Неправильно указанный номер телефона, неточный или неполный адрес могут привести к дополнительной задержке! Пожалуйста, внимательно проверяйте ваши персональные данные при регистрации и оформлении. Конфиденциальность ваших регистрационных данных гарантируется.
Отправка осуществляется с 10:00 до 20:00 часов каждый вторник и четверг. Время осуществления доставки зависит от времени размещения заказа и наличия товара на складе.
При доставке вам будут переданы все необходимые документы на покупку: товарный, кассовый чеки, а также гарантийный талон. При оформлении покупки на организацию, вам будут переданы счет-фактура, а также накладная, в которой необходимо поставить печать вашей организации.
Внимание! Просим вас помнить, что все технические параметры и потребительские свойства приобретаемого продукта вам следует уточнять у нашего менеджера до момента покупки. В обязанности работников Службы доставки не входит осуществление консультаций и комментариев относительно свойств продукта. При необходимости инсталляции приобретаемого в нашем магазине оборудования Вам необходимо сообщить об этом нашему менеджеру. При передаче Вам заказа проверяйте комплектность, работоспособность, соответствие доставленного товара описанию на нашем сайте, также проверьте товар на наличие механических повреждений.













